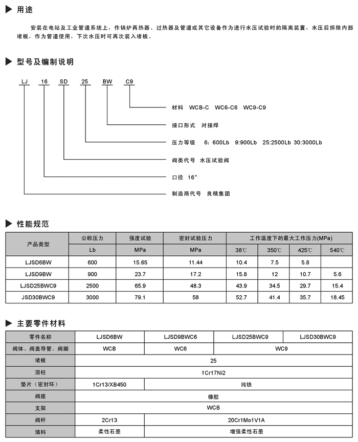
水压试验堵阀 百阀网 2026年4月28日 10:50 阅读(2) 型号: 口径:DN16~DN22 品牌: 百阀 类别: 水压试验堵阀 适用压力:≤Mpa 适用温度: ≤℃ 适用介质: 型号: 口径:DN16~DN22 品牌: 百阀 类别: 水压试验堵阀 适用压力:≤Mpa 适用温度: ≤℃ 适用介质: